Oszilloskop Reparatur Tektronix 314
Inhaltsverzeichnis
Oszilloskop Reparatur Tektronix 314 Beschreibung U340 Aufbau U340 Nachbau U340 Beschreibung U350 Nachbau U350 Restliche Umbaumassnahmen Alle Seiten
Oszilloskop Reparatur
Neulich bekam ich ein schönes kleines altes (ca. 15Jahre) Oszi geschenkt. Diagnose : Horizontal-Ablenkung defekt. Wie ich feststellen musste, waren 2 Steuer-ICs defekt. Nach einem kurzen Telefonat mit dem Tektronix-Service schied der Nachkauf der beiden ICs aus:
U340 PN 155-0056-01 461 DM zzgl. Mwst. U350 PN 155-0028-00 374 DM zzgl. Mwst.
Mit Märchensteuer und Versand macht das also zusammen gut und gerne 1000 DM !! Das wäre mir dann doch zuviel … Durch Schaltplan und Servicemanual versuche ich nun in nächster Zeit, die beiden ICs zu verstehen und zu ersetzen. Warum der Aufwand ? Das schönste ist und bleibt an diesem Oszi seine Größe und die Möglichkeit, es mit 220V oder 12V zu betreiben.
Schauen wir uns erst mal die Horizontal-Platine an:
Und so sah die Platine nach dem Umbau aus:
Beschreibung U340
U340 ist ein 16pol DIL-IC mit +5V Versorgung und enthält hauptsächlich digitale Logik. Für das Steuern und Rücklesen von Zeitgliedern ist noch etwas analoge Technik eingebaut.
Pinbelegung:
Schaltplanauszug:
Pin 2, 3, 8 und 16:
Spannungsversorgung für U340. Pins 2, 3, 8 auf Masse, Pin 16 auf +5V
Pin 12 - Analoges Zeitglied - Bright Baseline Timing:
Dieses Timing wird verwendet im AUTO-Modus. Es dient dazu, das System selbständig neu zu Triggern, wenn zu lange keine Triggerimpulse mehr kamen. Dies triff dann zu, wenn die Triggerfrequenz unter 15 Hz ist. Das entspricht einem Zeitabstand von >70ms der Triggerimpulse. Über R345 wird C345 ständig aufgeladen. Jeder Triggerimpuls entlädt C345 schnell nach Masse. Steigt die Spannung an Pin 12 über einen bestimmten Pegel an, so wird der Sweep auf „freidurchlaufend“ geschaltet.
Pin 11 - Analoges Zeitglied - Holdoff Timing:
Um der Sweep-Schaltung im U350 die Zeit zu geben, nach dem Strahldurchlauf den Kondensator zu entladen, kann sich U340 mit dieser Hold Off-Zeit kurzfristig tot stellen. Ist die Zeit abgelaufen, so ist U340 wieder voll funktionsfähig und es kann von neuem losgehen. C347 wird über R348/347/343 ständig geladen. Pin 11 wird nach Masse gezogen, solange der Sweep im Gange ist. Nach Ende des Sweeps lädt sich C347 auf, bis ein bestimmter Pegel erreicht ist. Erst ab hier kann ein neuer Triggerimpuls einen neuen Sweep starten.
Pin 6 und 13 - Digital - Modus-Erkennung:
Pin 7 - Digital - Reset Single Sweep System:
Ist der SINGLE-Sweep-Modus aktiv, und ein Trigger hat einen Sweep ausgelöst, so werden keine weiteren Trigger angenommen. Rücksetzen kann man mit einer pos. Flanke am Pin 7.
Am Pin zieht ein 10kOhm Widerstand das Signal Standardmäßig nach Masse. Über die Diode CR336 kann auch ein Reset-Signal aus dem „Storage“-Teil des Oszis den Sweep-Mode rücksetzen.
Pin 9 - Digital - READY-Indikator:
Wenn im SINGLE-Sweep-Modus noch kein Trigger ausgelöst hat, so leuchtet diese LED. Stoppt das System nach auslösen, so erlischt die LED.
Die LED leuchtet, wenn ein Lowside-Schalter den Pin 9 nach Masse zieht.
Pin 4 und 5 - Digital - Trigger Eingang und Flankenselektion:
An Pin 4 gelangen die Triggerimpulse aus der Triggeraufbereitung. Pin 5 selektiert die gewünschte Triggerflanke:
Pin 1 - Digital - End Sweep:
Mit diesem Signal teilt U350 diesem IC mit, das der Strahl am rechten Rand des Schirms angelangt ist.:
Wird Pin 1 auf Dauer-1 gelegt, so sind keine weiteren Sweeps möglich !
Pin 14 und 15 - Digital - Steuerausgänge:
Pin 14 geht von 0 auf 1, wenn ein Sweep stattfinden soll. Mit diesem Signal werden der „Electronic Channel Switch“ und der „Auto Erase Multi“ angesteuert. Der digitale Ausgang soll über 2kOhm nach +5V gezogen werden.
Pin 15 geht von 1 auf 0, wenn ein Sweep stattfinden soll. Mit diesem Signal werden der „Unblanking Amplifier“ und der „Enhance Multi“ angesteuert. Der digitale Ausgang soll über 2kOhm nach +5V gezogen werden.
Der Grund, warum beide Ausgänge einen Innenwiderstand von 2kOhm haben sollen ? Diese Pins gehen direkt auf die Basis von 2 Transistoren und zwar ohne Basisvorwiderstand !
Pin 10 - Digital - Lockout:
Mit diesem Signal kann die gesamte Sweep-Funktion des U350 abgeschaltet werden, da im „X-Extern Modus“ ja kein X-Sweep benötigt wird. Dies bedeutet, das Oszi ist im X/Y-Betrieb.
Aufbau U340
Überlegen wir uns also nun, welche Schaltungsteile wir für die Realisierung benötigen. Die Zusammen- schaltung ist dann der nächste Schritt.
Funktion - Moduserkennung:
Mit Hilfe der Pins 6,13 und 10 erkennen wir den Betriebsmodus des Oszis:
Funktion - Triggereingang:
Pin 4 ist der Triggereingang, Pin 5 ermöglicht es, den Triggereingang zu invertieren:
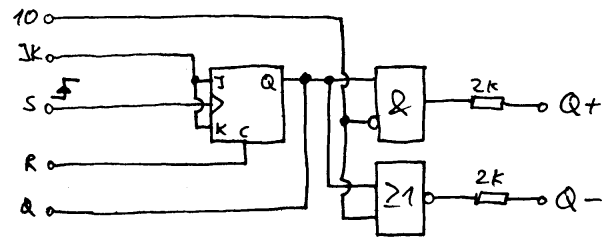
Funktion - Ausgangstreiber mit FlipFlop:
Mit den internen Anschlüssen JK, S, R kann das FlipFlop gesteuert werden. Q+ und Q- sind gegenphasige Ausgänge und lassen sich mit Pin 10 (X/Y-Betrieb) fest auf einen Wert legen:
Funktion - Holdoff-Timing:
Im Normalzustand ist Q auf 0, der Punkt zwischen C und R wird also nach Masse gezogen. Kommt nun an Pin 1 eine positive Flanke an, so schaltet das FF auf 1, und der Kondensator kann sich aufladen, bis der High-Level am C-Pin des FF erreicht ist. Dann schaltet das FF wieder auf 0 und entlädt den Kondensator. An Pin C kann man nun eine steigende Flanke messen, wenn die Holdoff-Zeit abgelaufen ist.
Funktion - BrightBaseline-Timing:
Schaltung wie beim Holdoff-Timing. Gesetzt wird das FF, wenn eine Durchlauf vorbei ist. Tritt vor ablauf der Zeit ein Trigger auf, so wird ein neuer Durchlauf gestartet und das FF zurückgesetzt. Werden keine (oder zu selten) Triggerpulse mehr registriert, so lädt sich der Kondensator langsam auf, ist er auf den High-Pegel gestiegen, wird diese Flanke als neuer Trigger verwendet. Damit erhält man trotz nicht vorhandener Triggerpulse ein Signal auf dem Schirm.
Nachbau U340
Um möglicht viel Platz zu sparen und während der Erprobung mehr Flexibilität zu haben, entschied ich mich für einen PLD. Dieser ermöglicht es auch größere digitale Schaltungen jederzeit neu hineinzuprogrammieren…
Zum Einsatz kommt hier als Beispiel ein MACH4A von Lattice. Dieser wird mit 5V versorgt, und lässt sich über JTAG jederzeit neu programmieren. Die Bezeichnung M4A5-64/32 sagt aus, das es ein MACH4A mit 5V ist, der 64 Macrozellen und 32 IO-Pins besitzt.
Was programmieren wir nun in den MACH ?
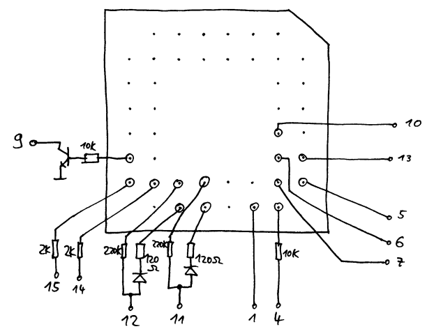
Um die Pegel entsprechend anzupassen, brauchen wir eine kleine Adaptionsschaltung:
Schaltplan:
Die Pin-Nummern aussen gehören zum U340 mit 16pol Sockel, die Nummern innen dem MACH4A mit seinem PLCC44-Sockel. Die Schaltung lässt sich auf einem Lowcost-IC-Sockel aufbauen:
Pinbelegung MACH4A:
+5V Pins : 44 und 22 Masse-Pins : 1, 12, 23, 34 JTAG-Pins : 10,13,32 und 35
Pinbelegung des PLCC-44 Sockels (von unten):
Beschaltung des PLCC-44 Sockels von unten (Spannungsversorgung):
Beschaltung des PLCC-44 Sockels von unten (Signale):
Pinbelegung U340:
Eingebaute Version:
Die Schaltung findet Platz an der unbestückten Stelle der Platine. IC ersetzt - 461 DM gespart …
Beschreibung U350
U350 ist ein 10pol IC mit +-12V Versorgung und enthält reine analoge Schaltungstechnik.
Pinbelegung:
Schaltplanauszug:
Funktionsbeschreibung:
Je nach Schalterstellung der Zeitbasis werden verschiedene Kombinationen von Spannung, Kondensator und Widerstand an die Pins 8/9 geschaltet. Intern befindet sich ein Operationsverstärker, mit Aussenbeschaltung ergibt sich damit ein Integrator:
Rechnet man sich nun einmal alle Kombinationen durch, so wird die Funktion klar. Die Zeit, die der Strahl für einen Durchlauf braucht ist ca. 10x länger, als die Zeitbasis. Logisch, der Oszi-Schirm hat ja 10 Kästchen:
(falls jemand nachrechnen möchte : -t=(Ustop*R*C)/(Ux) )
Um den geladenen Kondensator wieder zu entladen, ist über beide Kondensatoranschlüsse ein Transistor als Schalter gelegt.
Der Integrierer lädt also den Kondensator auf, es entsteht eine linear ansteigende Spannung am Ausgang. Der Spannungsteiler an Pin 6 legt nun fest, bei welcher Spannung das IC meldet, das der Sweep beendet ist. Dies ist bei ca. 5,5V der Fall. Pin 4 wird dann logisch High.
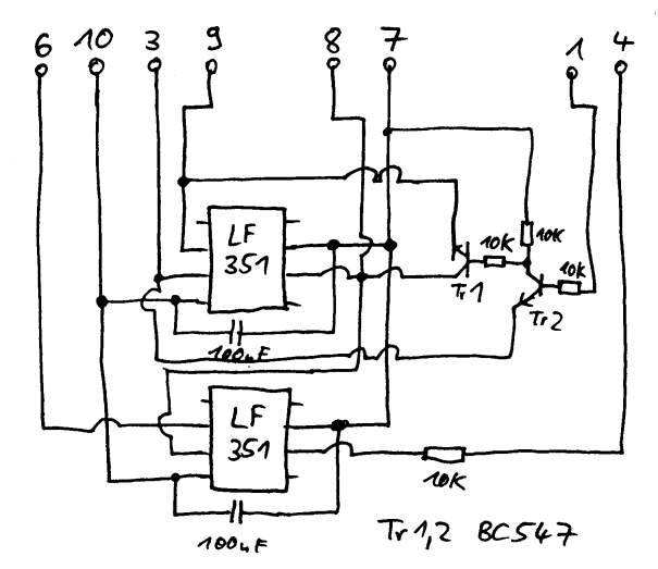
Nachbau U350
Nachbau:
Wir benötigen also 2 OPs mit möglichst hochohmigen Eingangspins, um die Schaltung nicht zu belasten. Daraus können wir dann einen OP zum integrieren und einen als Komparator schalten. Fehlt nur noch ein Schalttransistor zum entladen des Cs.
Für einen schnellen Test habe ich mich für den LF351 entschieden : JFET-Eingänge, 4MHz GBW, 50pA, 10mV Als Schalttransistor habe ich den nächstbesten Universal-Typ genommen : BC 547
Pinbelegung LF351:
Pinbelegung BC 547:
Pinbelegung U350:
Schaltung:
Eingebaute Version:
Die Schaltung findet auf einem kleinen Stück Lochrasterplatine Platz. Das ganze sieht zwar wüst aus, funktioniert aber wunderbar …. IC ersetzt - 374 DM gespart …
Restliche Umbaumassnahmen
1. Stabilisierung der Spannungsquelle für die Sägezahnspannung:
Wir löten an der gekennzeichneten Stelle einen Kondensator von ca. 100nF ein, um beim Umschalten der Zeitablenkungen, die Spannung nicht sprunghaft steigen zu lassen:
2. Beruhigung der Spannung am RESET-Pin des U340:
Eine andere Stufe speist noch Pulse auf die RESET-Leitung. Wie sich gezeigt hat, werden diese nicht weiter benötigt, die Verbindung kann entfallen und das RESET-Signal ist sauber:
3. Beruhigung des End-Sweep-Signals:
Dieser Punkt wandert ständig in der Gegend herum. Um den U340 mit sauberen Signalen zu versorgen, trennen wir die Verbindung auf, und löten für den Rest der Schaltung noch einen separaten 10kOhm Widerstand ein:
Zum Abschluss noch der Inhalt des MACH4A PLD's :
Ersatzschaltbild aus Logikgattern
ZIP Datei mit dem Inhalt des MACH4A






