Solar Gartenlampe
Diese Solarlampen verfolgen mich schon eine Weile. Auf der letzten Messe dann der Killer-Preis, für schlappe 2,50 Euro die komplette Lampe ! Schon gekauft. Mittlerweile ist es ja Herbst und wenn die Dämmerung kommt glimmt das Ding noch etwas und noch bevor es Dunkel ist, ist auch die Lampe dunkel. Hmmmmmmm …
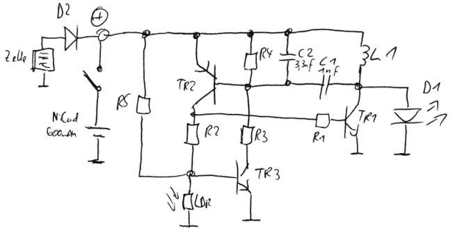
Was steckt wirklich drin ?
Dazu kommt noch eine einzige 600mAh NiCad Zelle zur Pufferung. Die LED in weiß ist auf der Rückseite. Der LDR kommt nach oben in Richtung Solarzelle.
8 Bruchstücke aus den Resten fernöstlicher Solarproduktion ? … Unter einem Baustrahler bringt das Ding im Leerlauf 4,5V sowie 22mA Kurzschlußstrom.
Wie werden also aus den 1,2V der NiCad-Zelle die 3,5V für die weiße LED gewonnen ?
Mit einem Schaltregler !
Den kann man auch schön ausmessen :
Und nun eine schnelle Rechnung :
Wir bekommen die Lampe leer angeliefert (war ja verpackt). Ein Tag schönster Sonnenschein (nehmen wir mal 8h Sonne an) könnte theoretisch 176mAh in den Akku bringen. Bei einem Wirkungsgrad von 70% sind im Akku also 125mAh gespeichert. Damit sollte also die Lampe ca. 8 Stunden leuchten können. Soweit sogut.
Leider ist bei uns gerade Herbst. Bei bewölktem Himmel geht der Strom schnell auf 3mA zurück, der Akku hat eine Temperatur von <5 Grad und wenn dann erstmal Winter ist …
Fatal ist nun, das der LDR und die Ansteuerschaltung den Schaltregler schon bei bewölktem Himmel einschaltet. Damit wird der Akku bereits tagsüber leergelutscht und für Nachts bleibt nichts mehr übrig !
Dieser Schaltungsteil muss also nochmal für unseren Mitteleuropäischen Winter angepasst werden. Details folgen.

