64 Kanal Logic Analyzer
In kurzer Zeit musste eine Schaltung her, mit der es möglich war 64 digitale Eingangskanäle einzulesen und an einen PC weiterzugeben. Dies habe ich mit 8 Schieberegistern gelöst. Hier noch ein früher Probeaufbau mit nur einem Schieberegister:
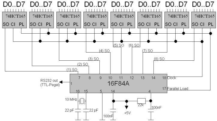
Ein PIC-Controller löscht alle Register (Clear-Leitung) und fordert diese Parallel zum einlesen der insgesamt 64 Leitungen auf (Parallel Load).
Anschließend werden 8 Pulse auf die gemeinsame Clock-Leitung gegeben und dazwischen jeweils alle 8 Ausgänge der Schieberegister ausgelesen. Jede eingelesene Information wird dann auf der seriellen Schnittstelle mit einem simplen Rahmen versehen und ausgesendet.
Am Ausgang schließt man noch die Standard-Schaltung aus MAX232 und ein paar Kondensatoren an, schon gehts ab in den Rechner. Diesen auf 19200, 8n1 einstellen und dann quellen auch schon die Daten raus:
*1111100010101000100010100101010101010101000011111110101010111110# *1111100000101000100010100101010101010101000010111110111010111110# *1111100010101000100010100111111111111111000010111110101010111110# *1111100010101000100010100001010101010101000010111111101010111110# *1111100010101000100010100100000000000000000010101110101010111110# *1111100010101000100010100101010100000000000000000010101010111110# *1111100010101000100010100001010101000000000010101010101010111110#
Die weitere Verarbeitung kann dann in jeder x-beliebigen Programmiersprache stattfinden.
Hier noch Sourcecode und Hex-File : PIC Inhalt Logic Analyzer :
