Bosch Freisprecheinrichtung
Diese FSE gab es im Rauswurf komplett für 20 DM - wer kann da noch wiederstehen ?
Da ich kein Bosch 509 besitze, überlege ich zur Zeit, ob man die FSE nicht an mein Siemens S35 anstöpseln kann. Dazu muss natürlich die Funktion von jedem Pin der FSE-Box bekannt sein. Dazu öffnen wir die „Black-Box“ :
Schauen wir zuerst einmal auf die ICs:
LM 2595 S-ADJ National Simple Switcher Power Converter, 150kHz, 1A Step-Down Voltage Regulator TDA 7240 A ST 20W Bridge Amplifier for Car Radio LM 358 D Philips Low Power Dual Operational Amplifier LS 204 ST High Performance Dual Operational Amplifier LM 78 L05 ACM National 3-Terminal Positiv Regulator
Der Rest sind SMD-Kleinfutter, SMD-Drosseln, Elkos und ne dicke Verpolschutzdiode. Alleine der schöne Lautsprecher (prima als Funklautsprecher verwendbar!) ist schon sein Geld wert. Weiter gehts zur FSE-Box:
FSE „Black-Box“ Anschlüsse
1 Leitung zum Zündschloss, Zündung ein=12V, Zündung aus=0V Grün 2 OC-Ausgang für Radio-Mute Funktion, 250mA Sink max. wenn die FSE benutzt wird Braun 3 Dauer-Plus, direkt an die Autobatterie anschliessen Rot 4 Masse, direkt an der Autobatterie anschliessen Schwarz
Stecker des Bosch 509:
Mit dem Kabel des Westernsteckers geht es dann in den Stecker zum Handy. Damit wird dann auch schnell die Bedeutung der Leitungen klar:
A GND = Masse Schwarz 16 B IGNITION = auf 3,9V bei Zündung ein, auf 0V bei Zündung aus Weiss 7 C CBUS = ca. 8,0 V Ausgang Grau 2 D HF-ENABLE = bei Spg. > 2V startet die FSE ihre Funktion Lila 6 E PHONE-PRESENT = FSE erkennt Telefon, wenn Telefon die Leitung nach Masse zieht Blau 10 F EQUIP-ID = Telefon erkennt FSE, da Leitung in der FSE auf Masse gelegt ist Grün 15 G AUDIO IN = Audio-Signal in die FSE aus dem Telefon Gelb 13 H AUDIO IN GND = Masse für Audio Orange 14 I AUDIO OUT = Audio-Signal aus der FSE in das Telefon Rot 11 J AUDIO OUT GND = Masse für Audio Braun 12
Nun sollten wir uns an einigen Pins noch aus der Schaltung der FSE-Box genauere Infos herausholen. (Diese Infos sind in der oberen Tabelle bereits verarbeitet !)
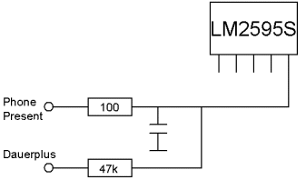
Phone Present:
Aha, der /Enable-Pin des LM2595 ist normalerweise über 47k an Dauerplus, und kann über Phone-Present nach Masse gezogen werden. Damit ist der Regler aktiv und die FSE ist betriebsbereit und wartet auf ein Gespräch.
HF enable:
Aha, Eingang auf einen normalen npn-Transistor (BC847). Ist die Spannung am HF enable-Pin größer 2 Volt ist die FSE aktiv und Lautsprecher und Mikro sind funktionsfähig.
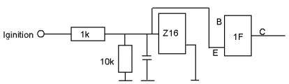
Ignition:
Aha, BC847 als Highside-Treiber, Z16 ist eine Z-Diode mit 3,9 V. Am HF enable liegt eine Spannung von ca. 3,9 V wenn die Zündung eingeschaltet ist und 0 V wenn die Zündung ausgeschaltet ist. Damit kennt das Handy den Fahrzeugzustand.
Audio In (Handy → FSE):
Nett gemacht, durch die Beschaltung als Gegentaktverstärker holt sich die FSE schon mal keine Probleme durch Brummschleifen und eingestreute GSM-Pulse ein. Ausgewertet wird nur der Gegentaktanteil, also die Sprachinformation. Damit ist dann auch klar, warum die Audio-Out Masse des Handys mit der GND-Masse nicht viel zu tun hat. Möglich wäre auch, das dahinter noch die DC-Info, also der Gleichtakt für irgendwelche Steuerzwecke missbraucht wird …
So, damit wissen wir genug, um mal einen ersten Versuch zu Starten. Zuerst bauen wir das Kabel um. Aus der Handyhalterung bauen wir das Kabel aus und löten wie folgt den S35 Stecker dran:
A Schwarz Pin 1 A mit Schwarz verbinden Pin 8 J Braun Pin 9 I Rot Pin 10 G Gelb Pin 11 H Orange Pin 12
Stecker des Siemens S35:
Um es einfach zu halten, schalten wir die FSE so, das sie beim Anlegen der Spannung sofort losläuft.
Dazu müssen wir eine Leitung nach Masse schalten und 2 Leitungen miteinander verbinden.
So kann man damit später im Auto natürlich NICHT rumfahren !
So, 12 V an Rot/Grün anschließen und schon kann es losgehen - theoretisch …
Das erste Problem ergibt sich schon mal durch eine gigantische Rückkoppelung zwischen Mikro und Lautsprecher. Da gibt es nur eine Möglichkeit : Die Verstärkung runterdrehen. Schaut man sich den Schaltungsteil des Mikros genauer an, so findet man als letztes einen OP als Verstärker geschaltet. Verstärkung sage und schreibe 680 fach !! Durch einige Experimente hat sich dann eine Verstärkung von 10 als ausreichend erwiesen. Dazu muss man nur einen zusätzlichen SMD-Widerstand einlöten:
Damit reduzieren wir die Verstärkung der letzten Verstärkerstufe auf ca. 10.
Beim S35 sollte man nun folgende Einstellung vornehmen:
Einstellungen - Sprechgarnitur anwählen: Damit nimmt das S35 nach 3mal Klingeln das Gespräch automatisch an. Dabei darf der Audio- Modus nicht auf Lautlos sein, da sonst die automatische Rufannahme nicht funktioniert (liegt daran, das das S35 nicht als Wanze benutzt werden soll).
!!! Und wie immer gilt - demnächst mehr !!!
