Drehencoder
Für ein anderes Projekt musste ich am Wochenende einen Drehencoder besorgen.
Da ich keinen aus einem alten Gerät ausbauen konnte lag die Idee nahe mal im Internet zu stöbern. Auf der Seite:
http://www.elektrik-trick.de/sminterf.htm
wurde ich dann fündig. Schnell eine alte 5 1/4 Zoll Floppy zerlegt und schon konnte es losgehen. Mit einem IC und ein paar Widerständen kann man sich so einen Drehencoder nachbauen, der beim drehen im Gegensatz zu käuflichen Encodern ein „teueres“ Gefühl hinterläßt.
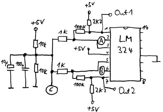
Die Schaltung ist simpel und braucht nur 2 OP's. Da bei mir leider nur ein LM324 rumlag musste dieser herhalten …
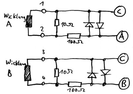
An diese Grundschaltung kommt nun die Impulsgewinnung aus den beiden Windungen des Steppermotors:
(Den Widerstand den man beim drehen spürt, lässt sich durch Austausch des 10 Ohm Widerstands vergrößern oder verkleinern)
Und das wars dann auch schon !
