elektronik:selbstbau:geigerzaehler
Geigerzähler aus Schrottbauteilen
Ansicht des Geiger-Zähler Projekts :
Aufbau der Schaltung in 2 Ebenen.
Einfache Stromversorgung per 9Volt-Block und 5V-Regler
PIC 16F84 Microcontroller mit Anschlüssen für In-Circuit Programmierung
Standard LCD-Modul mit 2 Zeilen a 16 Zeichen
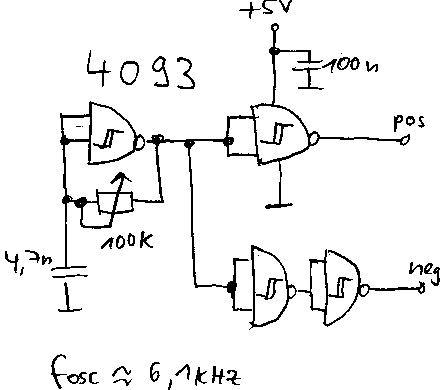
Oszillator mit NAND-Gattern aus einem 4093
Einfache Wechselspannnungserzeugung zur Speisung der 6V-Wicklung des Trafos
ERA-Printtrafo, EE 20, 0,08VA 6V/13,3mA 22x23x12mm
Den Trafo bekommt man z.B. bei Conrad.
Zweiweg-Gleichrichtung, Geiger-Müller-Rohr und Detektion der Stromimpulse
Assembler-Source und HEX-File : geigerzaehler.zip
elektronik/selbstbau/geigerzaehler.txt · Zuletzt geändert: von ad36min
