Seiko TV Watch
Vorab : Wer nicht weiss was eine Seiko TV Watch ist sollte Frank Günthör's Taschenfernseher-Seite besuchen !
http://www.taschenfernseher.de/mini4.htm
1. Funktionen :
Zeitanzeige mit Stunden / Minuten / Sekunden Stundenanzeige mit 12 oder 24 Stunden Eine Alarmzeit Stundensignal Stoppuhr mit Rundenzeitanzeige Einstellung von Wochentag und Datum getrennt
2. Bedienung :
3. Gimmick :
Im Alarm- oder Zeit/Datumseinstellungsmodus die Taste 1 - 2 - 3 gleichzeitig drücken. Die Uhr piept und alle Segmente im Display sind aktiv !
4. Innenansichten :
Uhrenmodul Vorne
Uhrenmodul hinten
Leeres Uhrengehäuse
Gesamtansicht
Kabelaufdruck
Kabelende zur Uhr hin
Kabelende zum Receiver hin
Flachbandkabel und Buchse
Verschaltung der Buchse (von hinten betrachtet)
Internes Flachbandkabel im Receiver
Anschluss auf der Platine
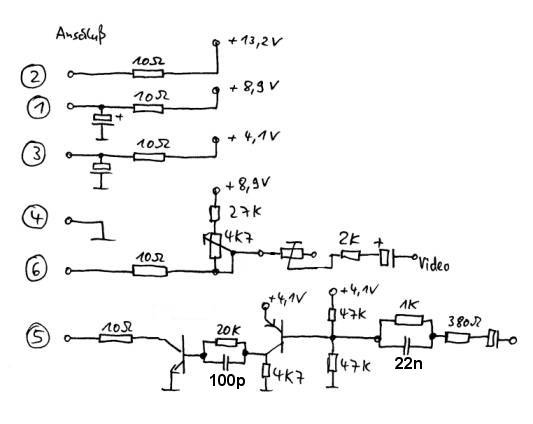
1. Die Spannungsversorgung:
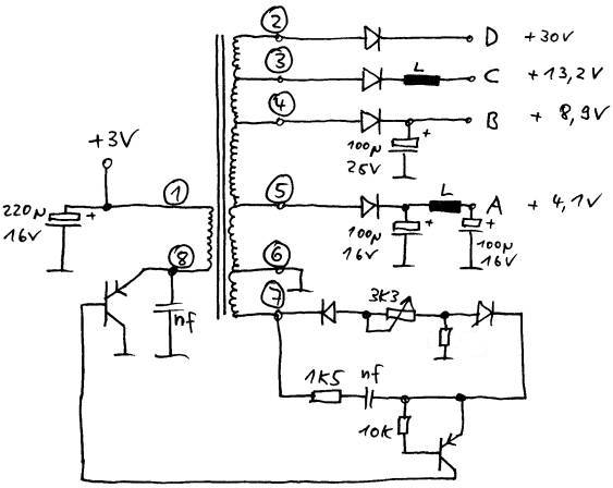
Versorgt wird der Empfänger mit 2 Mignon-Zellen, die an der Platine kontaktieren. An den Punkten 1..8 ist ein Trafo angeschlossen. Der folgende Schaltplan ist bestimmt nicht 100% korrekt, ergibt aber ein grobes Bild des Schaltungsaufbaues:
Aus den 3V (@120mA) werden über eine Zerhackerstufe mit anschließender Hochtransformation und diversen Abgriffen per Gleichrichtung die Betriebsspannungen gewonnen. Die Frequenz der Zerhackerstufe kann über das 3k3-Poti eingestellt werden. Dreht man am Poti ändern sich natürlich ALLE Spannungen …
Die Frequenz lag in meinem Gerät zwischen 65kHz und 80 kHz
Spannung am Punkt 7 mit 5V/div 5us/div, damit liegt die Frequenz bei ca. 76kHz.
* Spannungen 4,18,913,2V von aussen eingespeist, Stromverbrauch am Batterieanschluss gemessen.
2. Der Ausgang zur Uhr:
Die Spannungen 13,2V 8,9V 4,1V sind jeweils über 10 Ohm Widerstände abgesichert.
Das Video-Signal scheint mir so, wie wenn es in der Uhr auf eine Diodenstrecke trifft (Transistor BE-Strecke). Über das Poti an der Rückseite des Empfängers kann man den „Grundstrom“ einstellen, der in die Uhr fließt. Ist die Uhr angeschlossen, so kann an Pin 6 eine Spannung zwischen 0,62V und 0,66V gemessen werden.
Pin 5 puffert die Sync-Signale (Composite-Sync !).
1. Ersatz der Spannungsversorgung :
Wir benötigen eine Stromversorgung, die die 3 Spannungen für die Uhr generiert. Das ganze soll mit zwei Mignon- Zellen betrieben werden können:
Probeaufbau der Spannungsversorgung
Ein Step-Up-Wandler erzeugt aus 2 Zellen eine Spannung von 12V
Aus den 12V werden per Linearreglern 8,9 und 4,1V gewonnen.
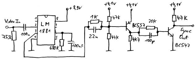
2. Synch-Signal Generierung :
Das Videosignal wird auf einen LM1881 gegeben. Dieser hat mehrere Ausgänge. Die Uhr benötigt ein Composite Synch-Signal welches verstärkt weitergegeben wird.
Probeaufbau der Sync-Bearbeitung
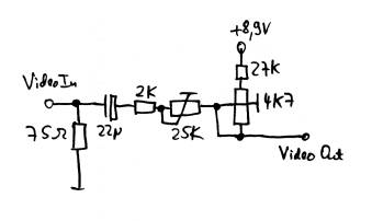
3. Video-Signal Aufbereitung :
Das Videosignal wird DC-entkoppelt und über 2 Potis an die Uhr gegeben. Mit dem ersten Poti kann der Kontrast eingestellt werden, mit dem zweiten die Helligkeit.
4. Aufbau in einem transportablen Kästchen :
Das Ziel ist erreicht. In den Video-Eingang können beliebige Signale zum ansehen eingespeist werden. Dank dem LM1881 können sowohl NTSC als auch PAL angezeigt werden. Die Buchse für das Kabel der Uhr ist dem Gehäuse des Empfängers entnommen worden.
geöffnetes Kästchen mit reingelegtem Batteriehalter
geschlossenes Steuerkästchen
2 Bilderchen vom Probeaufbau :
Kleines Video :
Demo-Video-Seiko-TV-Watch seiko-tv-watch.avi


