ATAS120 Controller
Die ATAS120 ist eine schöne kleine motorisch abgestimmte Antenne. Die Steuerung geschieht über das Koaxkabel und nur einige YAESU können dieses Signal mit ausgeben. Möchte man die Antenne an Icom/Kenwood/Elecraft betreiben braucht man einen externen Controller.
So ein Steuerkästchen gibts zwar als MFJ-1925 zum Kauf aber Selbstbau macht ja bekanntlich am meisten Spass. Die Schaltung gibts überall im Internet, ich habe hier nur die Spannungsgenerierung abgewandelt um von 2 Spannungsreglern wie sie jeder verwendet auf einen zu kommen.
Aufgebaut in einer kleinen Weissblechschachtel :
Innenansicht :
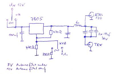
Schaltplan :
Anmerkung : Bei 8V am Antenneneingang fährt die Antenne runter. 9V verwirrt die Elektronik (nix passiert). Bei mehr als 10V fährt die Antenne hoch. Insofern kann man die Schaltung trotz des Spannungsdrops der Regler auch bei 12V einsetzen.
Aus altem Restmaterial gab es noch schnell einen Halter für die ATAS120 aus einem Winkel sowie etwas dünnem Alu-Material :
Zwei dünne Alu-Bleche dienen als plane Auflagefläche für das Ende der ATAS :
Antennenhalter von unten. Im Halter ist ein Rundes Loch, für den HF-Pfad einfach einen langen PL-Durchverbinder nehmen :
In den Auflageflächen ein Sechskant-Loch welche die Mutter festhalten :
Rundes Loch :
Einzelteile des Halters :
Ansichter der ATAS120 von unten :
Benutzt habe ich einen L-Winkel 55x65mm mit einem Loch mit 15,5mm Durchmesser. Der PL-Verbinder ist Female-Female mit 2 Muttern und ca. 4cm lang. Die beiden Alu-Bleche sind 38x55mm mit einem Sechskant-Loch.










