Inhaltsverzeichnis
Alphapoc 602R
letzte Änderung des Dokuments : 06.02.2019
Zur Zeit erlebt das POCSAG Paging eine neue Beliebtheit im Amateurfunk. Zum Einsatz kommen Pager z.B. des Typs Skyper welche aber auch schon grob 20 Jahre alt sind. Aber es gibt modernere Alternativen z.B. den hier näher untersuchten Alphapoc 602R.
Hintergrund der Untersuchung ist die für den Funkamateur unerlässliche Doku „was ist in dem Ding drin“ incl. der nötigen Infos falls repariert oder modifiziert werden muss. Damit nicht jeder seinen Pager aufmachen muss, opfere ich meinen und stelle alles was ich herausfinden kann zur Verfügung.
Aussenansichten
Das ist der Alphapoc 602R - diese Version ist mit PLL und läßt sich einfach im Menü oder durch Programmierung auf die 439,9875 MHz umstellen und damit direkt im DAPNET benutzen ohne weiteren Umbau.
8 verschiedene RIC Adressen (mit je 4 Unteradressen), viele Textspeicher stellen eine zeitgemäße Alternative zum Skyper dar. Einfache Einstellungen lassen sich durch das Menü umstellen, größere Dinge gehen mit dem Programmierkabel incl. der Software (GP2012).
Weitere Besonderheit : Der Pager läuft mit einer Eneloop AAA Zelle bis zu 4 Wochen und läßt sich über die seitlche USB Buchse überall wieder aufladen.
Rückseite : Man erkennt die Herkunft aus China
Hauptplatine N_MB_VA
Im Batteriefach befinden sich 2 Schrauben. Nach dem entfernen läßt sich der Deckel abheben. Der Pager besteht aus 2 Teilen : Der Hauptplatine und der auswechselbaren (je nach QRG) Funkempfängerplatine.
Man erkennt die Antenne im oberen Gehäuseteil, rechts die USB Buchse für Reprog und Laden sowie Piepser, Vibrationsmotor auf der linken Seite.
Vorder/Rückseite
Vorderseite der Hauptplatine :
Hier ist die USB-Buchse, der Flash-Speicher, DCDC Wandler, POCSAG Decoder IC sowie Lade-IC, Vibrationsmotor und Piepser.
Rückseite der Hauptplatine :
Hier sitzt der Microcontroller von Renesas sowie die 4 Tasten und das Flex-Kabel zum Display.
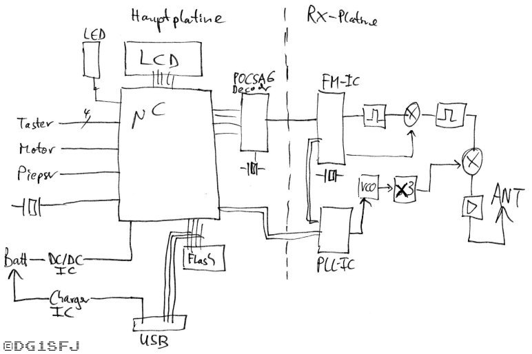
Blockschaltbild
Stromversorgung
Ein DCDC Wandler im SOT-89 Gehäuse. Step Up Wandler der seine Frequenz an den Bedarf anpasst. Im Ruhezustand wird nur selten getaktet. Ob es sich um den originalen IC von RICOH oder eine Kopie handelt ist unklar.
Hier noch die Aussenbeschaltung :
Vermutlich um Änderung oder Neu-Einlegen der Batterie zu erkennen ist eine kleine Schaltung zwischen Supply und einem Interrupt-Pin am Microcontroller angeschaltet - Zweck noch nicht klar :
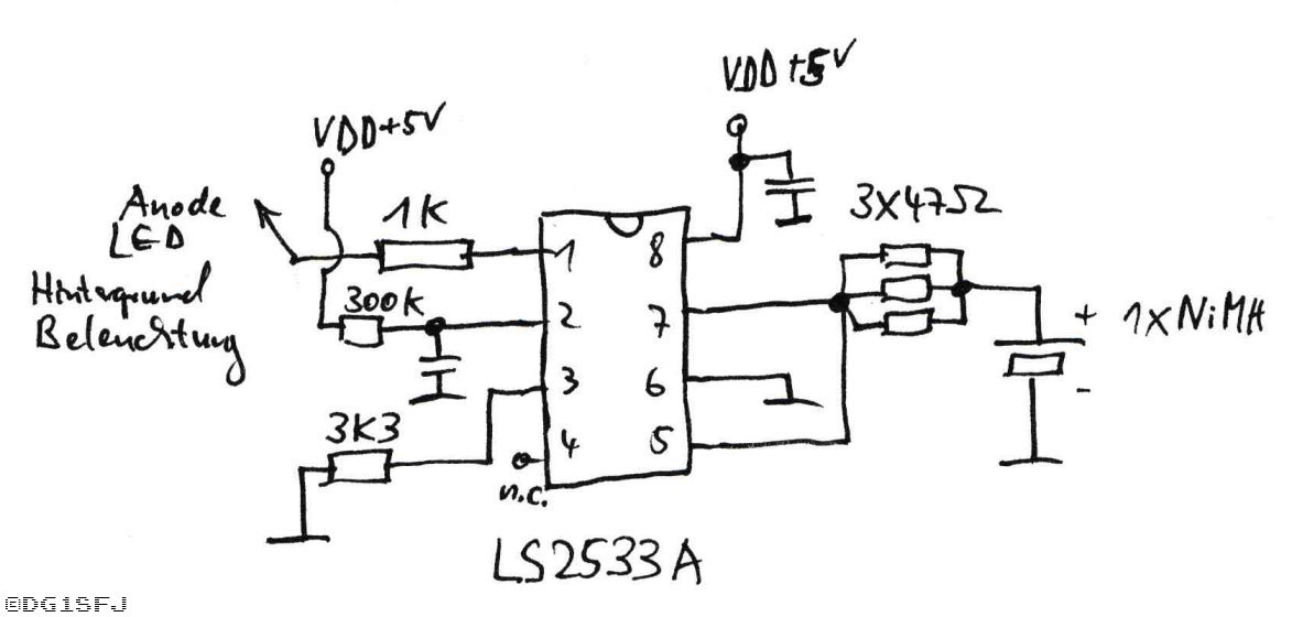
Ladeelektronik
Das Lade-IC ist ein Linkas LS2533A, NiMH Charger IC der sich aus 5V versorgt via USB. Kann auch Trickle Charge, lädt also auch nach wenn die Batterie voll ist um die Selbstentladung auszugleichen.
Hier noch die Aussenbeschaltung. Besonderheit : Das Lade-IC zeigt den Zustand an einem Pin an (1), dieser wird verwendet damit die Hintergrundbeleuchtung leicht leuchtet solange geladen wird. Wenn Laden fertig geht auch das Licht aus.
USB Anschluss
Als Besonderheit wartet hier eine Mini USB Buchse auf uns mit 10 statt 5 Pins. Wird das Ladekabel eingesteckt werden nur Masse und +5V vom USB abgenommen. Beim Programmierkabel kommen dann auch die anderen Pins zum Einsatz.
01 – GND 02 – zum SPI-Flash Pin 2 – Serial Data In 03 – zum SPI-Flash Pin 50 – Serial Data Out 04 – TXD-Pin des Renesas – Pin 36 : P112/TXD/SEG18 05 – +5V vom USB 06 – Flashmode-Pin des Renesas – Pin 17 07 – /Reset des Renesas Pin 14 (68k+C parallel, dann Diode zum Pin) 08 – RXD-Pin des Renesas – Pin 35 : P113/RXD/SEG19 09 – zum SPI-Flash Pin 6 – Serial CLK 10 – zum SPI-Flash Pin 1 – /ChipSelect
Zur Erklärung noch die Beschaltung der Reset Leitung :
Display-Beleuchtung
Taster
Vibrationsmotor
Piepser
Display
Das Display ist grob 57x36mm groß und ist ein Grafik-Display mit 128×64 Punkten.
Hersteller unbekannt. Auf dem Display sind nur „DS600010B01“ und „A3/5“ zu finden. Der Controller ist als Chip-on-Glass (COG) vermutlich ein ST7565R.
Hintergrundbeleuchtung per LED an einer seitlichen Streuscheibe.
Vorder-Seite der Hauptplatine mit dem Folienkabel :
Rückseite der Hauptplatine - Achtung, Bild ist gespiegelt !
Die Beschaltung des Folienkabels ist ungefähr so :
Der Microcontroller steuert das Display über 8+3 Leitungen an :
LCD Pin 6 - uC Pin 1 - D0 LCD Pin 7 - uC Pin 80 - D1 LCD Pin 8 - uC Pin 79 - D2 LCD Pin 9 - uC Pin 78 - D3 LCD Pin 10 - uC Pin 77 - D4 LCD Pin 11 - uC Pin 76 - D5 LCD Pin 12 - uC Pin 75 - D6 LCD Pin 13 - uC Pin 74 - D7 LCD Pin 1 - uC Pin 10 - Write Leitung - Datenübernahme bei steigender Flanke LCD Pin 2 - uC Pin 9 - Chip-Select Leitung "H" : Display selected LCD Pin 3 - uC Pin 8 - A0 - "H" : Display Data, "L" : Control Data
Der Renesas schickt 14 Kommandos als initialisierung beim ersten Einschalten los (dabei A0 auf Low) :
#01 = 1 0 1 0 0 0 0 0 = ADC select normal "1" #02 = 1 1 0 0 1 0 0 0 = Common Output mode select "000" #03 = 1 0 1 0 0 0 1 0 = LCD Bias Set "1" #04 = 0 0 1 0 0 1 0 0 = Voltage regulator internal resistor ratio set "100" #05 = 1 0 0 0 0 0 0 1 = Electronic Volumne Mode Set #06 = 0 0 1 0 0 0 0 1 = Electronic Volumne register set "100001" #07 = 0 0 0 1 1 1 0 0 = Column Adress Set Upper Bit "1100" #08 = 0 0 1 0 1 1 0 0 = Power Controller Set #09 = 0 0 1 0 1 1 1 0 = Power Controller Set #10 = 0 0 1 0 1 1 1 1 = Power Controller Set #11 = 1 0 1 0 1 1 1 1 = Display on/off "1" ON #12 = 1 0 1 1 0 0 0 0 = Page Adress Set "0000" #13 = 0 0 0 1 0 0 0 0 = Column Adress Set Upper Bit "0000" #14 = 0 0 0 0 0 0 0 0 = Column Adress Set Lower Bit "0000"
Danach beginnt das Beschreiben des Display RAMs durch Übertragung von 131 ? Bytes mit dem Inhalt „00“, A0 leitung ist dabei dann auf High.
Wenn die Bytes geschrieben wurden wird die Page Adresse auf „0001“ erhöht, und wieder 131 ? Bytes „00“ übertragen.
Die Page Adresse geht dann bis „0111“ rauf. Nach 7,2ms sind alle Speicher mit „00“ überschrieben und das Display RAM leer.
Abschließend wird die Einschaltmeldung des Pagers (aus dem Flash) gelesen und auf dem Display dargestellt.
Der gesamte Einschaltvorgang von Strom an (5s) → Display Init → Display darstellen → Display wieder abschalten (24s) :
Zoom auf die Initialisierungs-Phase (Init + Display löschen + Display Inhalt reinprogrammieren) :
Zoom auf Display Init :
Flash
Macronix International, MX25L8006E
8Pin PDIP Gehäuse
8MBit CMOS Serial Flash
512Bit Secured OTP
SPI Interface Mode 0 und 3
Auf der Leiterplatte sind noch 2 Widerstände bestückt :
Pin 3 : 68k Pullup nach VCC – für /WriteProtect Pin 7 : 68k Pullup nach VCC – für /Hold Pin 4 : Masse Pin 8 : Supply mit 47uF Tantal
Nach dem Start des Pagers liest der Microcontroller einen Speicherblock ein. Dazu verwendet er zwei Befehle :
0x04 : WRDI (Write Disable) 0x0B 0x08 0x00 0x00 0xFF : FAST READ (Ab Adresse AD1=08, AD2=00, AD3=00, 0xFF steht für Dummy)
Danach wird solange inkrementell die nächste Speicherstelle ausgelesen bis CS# wieder auf High geht.
Startadresse „0x080000“, es werden 256 Byte eingelesen.
Die 8MBit = 1MByte Speicher sind nur sehr spärlich genutzt. Aufbau sieht wie folgt aus :
$00000 - $7FFFF : leer $80000 - $800FF : Konfiguration des Pagers, wird beim Start ausgelesen, auch ASCII Startbotschaft, Frequenz u.s.w. $80100 - $80FFF : leer $81000 - $81FFF : RIC Konfiguration (mit ASCII Namen) $82000 - $82FFF : leer $83000 - $830FF : Backup der Konfiguration von $80000 ? $83100 - $87FFF : leer $88000 - $882FF : unbekannt $88300 - $88FFF : leer $89000 - $892FF : unbekannt $89300 - $89FFF : leer $8A000 - $8A2FF : unbekannt $8A300 - $8AFFF : leer $8B000 - $8B2FF : unbekannt $8B300 - $8BFFF : leer $8C000 - $8C2FF : unbekannt $8C300 - $8CFFF : leer $8D000 - $8D2FF : unbekannt $8D300 - $8DFFF : leer $8E000 - $8E2FF : unbekannt $8E300 - $8EFFF : leer $8F000 - $8F2FF : unbekannt $8E300 - $8EFFF : leer $90000 - $900FF : Message + Config $91000 - $910FF : Message + Config $92000 - $922FF : Message + Config $93000 - $932FF : Message + Config $94000 - $942FF : Message + Config $95000 - $952FF : Message + Config $96000 - $962FF : Message + Config $97000 - $972FF : Message + Config $98000 - $982FF : Message + Config $99000 - $992FF : Message + Config $9A000 - $9A2FF : Message + Config $9B000 - $9B2FF : Message + Config $9C000 - $9C2FF : Message + Config $9D000 - $9D2FF : Message + Config $9E000 - $9E2FF : Message + Config $9F000 - $9F2FF : Message + Config $A0000 - $A02FF : Message + Config $A1000 - $A12FF : Message + Config $A2000 - $A22FF : Message + Config Dann leer bis Speicherende $FFFFF
POCSAG Dekoder
Das Herz des Pagers ist der SM8212B ein „POCSAG Decoder for Multiframe Pagers“ der Firma NPC Nippon Precision Circuits.
Auf der Webseite ist der IC als „Mature Product to be Discontinued“ seit 1.20.2011 aufgelistet. Käuflich kann dieser IC noch über den amerikanischen Distributor VCAMERICA erworben werden.
Nach dem einlegen der Batterie wird der Dekoder initial programmiert :
Ablauf :
19x werden 32 Clock Pulse ausgegeben und auf dem SDI das Wort 0x8100. Nach jedem Wort wird dann RSTN wieder auf Low gelegt. Zweck unbekannt.
Danach scheint die Initialisierung zu beginnen mit „echter“ Kommunikation.
Die Blöcke kommen im Abstand von 42ms. Die Clockleitung ist 4,4us High bei einer Wiederholrate von 11,16us.
Übertragen werden :
0x81 0x00 0x41 0x08 0x02 0x80 0x61 0x0F 0xDE 0x13 (01100001 00001111 11011110 00010011) 0x61 0x30 0x00 0x7E (01100001 00110000 00000000 01111110) 0x61 0x40 0x00 0x82 (01100001 01000000 00000000 10000010) 0x60 0x6C 0x00 0x83 (01100000 01101100 00000000 10000011) 0x61 0x80 0x00 0x85 0x61 0xA4 0x00 0x85 0x60 0xC0 0x00 0x84 0x60 0xE4 0x00 0x7E 0x82 Einzelbyte
Aktiviert waren zu dieser Zeit im Pager :
A: [ on] 2027675 (11110 11110000 10011011) B: [ on] 0001012 (00000011 11110100) C: [ on] 0001040 (00000100 00010000) D: [off] 0001051 (00000100 00011011) E: [ on] 0001064 (00000100 00101000) F: [ on] 0001065 G: [off] 0001056 H: [off] 0001009
0x81 0x00 0x41 0x08 0x02 0x80 : 0x81 0x00 : Read Kommando für Flags/Daten 0x41 0x08 0x02 0x80 : Parameter Set Flag Kommando 01000001 00001000 00000010 10000000 1 BS2 Option=1 : mid-receive adjustment mode 0 End of Message Detection=0 0 CLKO=76,8kHz 0 KILL CLKO=CLKO Output enabled 01 Bit Rate Set=01=1200bps 0 Signal Polarity=normal 00 0000 PL5..0=Receive time Setup BS3 0010 10 RF5..0=Receive time Setup BS1 0 = Filter=Filter OFF 00 = Filter Strength=Filter Strength 1 000 = Rate error detection Standard for Preamble = Count=1
Das Adress Initialisierungskommando sieht dann wie folgt aus : 0x61 0x0F 0xDE 0x13 (01100001 00001111 11011110 00010011) 01100001 00001111 11011110 00010011 0110000 Adress Set Command 1 Address Enable. Wenn auf 1 dann sind bits 9..32 valid 000 Addresse Call Sign Flag („A..H“) 011 Address Frame Assign Bits (LSBs der Adresse) 11 11011110 00010011 MSBs der Adresse Beispiel für die Adress-Dekodierung : dez2027675 = bin111101111000010011011 Die unteren 3 Bits werden abgeschnitten und als Frame-Nummer genommen. Damit : Framenummer 011 und Rest-Adresse ist dann 111101111000010011 Das ganze wird für die 8 Adresse festgelegt, die der Dekoder verarbeiten kann. Abschluss : 0x82 : Decoder Set Command Transfer 10000010 10 0 : Decoder Set Command 0 : Break command 0 : Back-up mode command 0 : Write command 0 : BS-test mode 1 : Invoke the Start Mode Operation
Empfang eines Frames welches zur Adresse passt und zum Alarm führt :
Zuerst geht AREA auf 1 und zeigt an das ein Frame empfangen wird. Nach ca. 200ms beginnt der Auslesevorgang damit das ATTN auf Low geht.
Es werden 5 Blöcke übertragen :
0xA3 0x8F 0x78 0x4F (10100011 10001111 01111000 01001111) 0xC0 0x85 0x3E 0x70 (11000000 10000101 00111110 01110000) 0xC0 0x88 0x9A 0x2E (11000000 10001000 10011010 00101110) 0xC0 0x84 0x00 0x00 (11000000 10000100 00000000 00000000) 0xE0 0x80 0x00 0x00 (11100000 10000000 00000000 00000000)
Man erkennt das das erste Byte langsamer Übertragen wird (8,7us High, 9,6us Low, Dauer grob 17..18us). Die nächstes 3 Bytes schneller ( grob 10..11us, 4.4…6us High).
Zuerst kommt die Receive Data – Address Data Format : 0xA3 0x8F 0x78 0x4F (10100011 10001111 01111000 01001111) 101 = Recepetion Data / Adress data format Kennung 000 = Addresse („A..H“) = „A“ = „000“ 11 = Function = 11 = „D CALL“ 1 = SYN-VAL = High=2 oder weniger Fehler 00 = Error = Low = no errors 0 = Parity error = Low=no parity error 1111 01111000 010011 = Adress 1..18 Beispiel für die Adress-Dekodierung : dez2027675 = bin111101111000010011011 Die unteren 3 Bits werden abgeschnitten und als Frame-Nummer genommen. Damit : Framenummer 011 und Rest-Adresse ist dann 111101111000010011 Dann folgt die Botschaft : 0xC0 0x85 0x3E 0x70 (11000000 10000101 00111110 01110000) 11000000 = Reception Data / Message Data 1000 1 = SYN-VAL = High=2 oder weniger Fehler 00 = Error = Low = no errors 0 = Parity error = Low=no parity error 0101 00111110 01110000 = Message 1-20 Damit würde insgesamt 396 Bits zur Verfügung stehen „JOCHEN“ = 6mal ASCII: 0xC0 0x85 0x3E 0x70 (11000000 10000101 00111110 01110000) 0xC0 0x88 0x9A 0x2E (11000000 10001000 10011010 00101110) 0xC0 0x84 0x00 0x00 (11000000 10000100 00000000 00000000) Die Botschaft lautet also (7Bit Blöcke!) : 010100111110011100001000100110100010111001000000000000000000 Da das ASCII LSB zuerst gesendet wird müssen alle gedreht werden : 1001010 = J 1001111 = O 1000011 = C 1001000 = H 1000101 = E 1001110 = N Der Rest sind 0er und füllen den letzte 20 Bit Block aus. Am Ende wird signalisiert das die Botschaft vorbei ist : 0xE0 0x80 0x00 0x00 (11100000 10000000 00000000 00000000) 11100000 = Reception Data – End of Message 1 = SYN-VAL = High=2 oder weniger Fehler 000 = Unknown 0000 00000000 00000000 = must be zero
Microcontroller
Renesas (ex. NEC) uPD78F0485
80-Pin QFP
8Bit Controller mit LCD Treiber
78K0/LF3 Serie
60KB ROM, 1KB RAM, 1KB Expansion RAM, Display RAM(40x4bits oder 36x8bits)
Pinout :
Belegung der Pins im Alphapoc : 01 - Ausgang zum LCD, D0 02 03 04 05 06 - Ausgang zum aktivieren des Piepsers 07 - Reset Eingang 08 - Ausgang zum LCD, A0 09 - Ausgang zum LCD, CS 10 - Ausgang zum LCD, WRITE 11 12 13 14 15 - Quarz 16 - Quarz 17 - Flashmode 18 19 20 - REGC - Versorgungsspannung Plus 21 - VSS - GND 22 - VDD - Versorgungsspannung Plus 23 24 25 26 27 28 29 30 31 32 33 34 35 - RXD Flash Reprgo 36 - TXD Flash Reprog 37 38 39 40 - ADC Eingang ? 68k zu 100k Teiler 41 - Ausgang zum aktivieren der LED Hintergrundbeleuchtung 42 - Ausgang zum aktivieren des Vibrationsmotors 43 - Flash - Chip Select 44 - Flash - Serial Clock 45 - Flash - Serial Data In 46 - Flash - Serial Data Out 47 - Eingang von Taste "UP" 48 - Eingang von Taste "DOWN" 49 - Eingang von Taste "Function/Select" 50 - Eingang von Taste "Read/Escape" 51 52 53 54 55 56 57 58 59 60 - VSS - GND 61 62 - CLK vom PLL IC 63 - Data vom PLL IC 64 - LE vom PLL IC 65 66 67 68 69 70 - Interrupt-Eingang erzeugt vom Schaltregler 71 72 73 - Sammelleitung für die 4 Tasten 74 - Ausgang zum LCD, D7 75 - Ausgang zum LCD, D6 76 - Ausgang zum LCD, D5 77 - Ausgang zum LCD, D4 78 - Ausgang zum LCD, D3 79 - Ausgang zum LCD, D2 80 - Ausgang zum LCD, D1
Empfängerplatine N_RF400MP_V4
Die Empfängerplatine ist mir 2 Stifleisten auf der Hauptplatine aufgesteckt. Je nach Frequenzbereich können hier im Pager also unterschiedliche Empängerplatinen nachgerüstet werden. Auf der Platine ist auch die Antenne befestigt. Auf den 2 Stifleisten liegen die Signale für/vom FM IC sowie die Steuerinformationen für das PLL IC.
Vorder/Rückseite
Vorderseite :
„R25“ = NEC/Renesas 2x2SC3356 NPN Transistor
„R44“ = NEC/Renesas 2SC4228 oder 2SC3585 NPN Transistor
„Tf“ = Varicap Diode Toshiba 1SV270
„M6“ = PNP Transistor (Steuerung um REGO Ausgang für VCC am BSC durchzuschalten. Siehe Application Note des ICs)
Rückseite :
„1_B“ = ESD Schutz Diode
„CDBM C28“ = Murata Keramik Diskiminator für 455kHz +-4kHz Bandbreite (3dB)
„LTWC 455E“ = Shoulder Keramik Filter 455kHz +-7,5kHz Bandbreite (6dB)
„21M15A“ = Quartz-COM Quarz-Filter 21,4MHz +-7,5kHz Bandbreite (3dB)
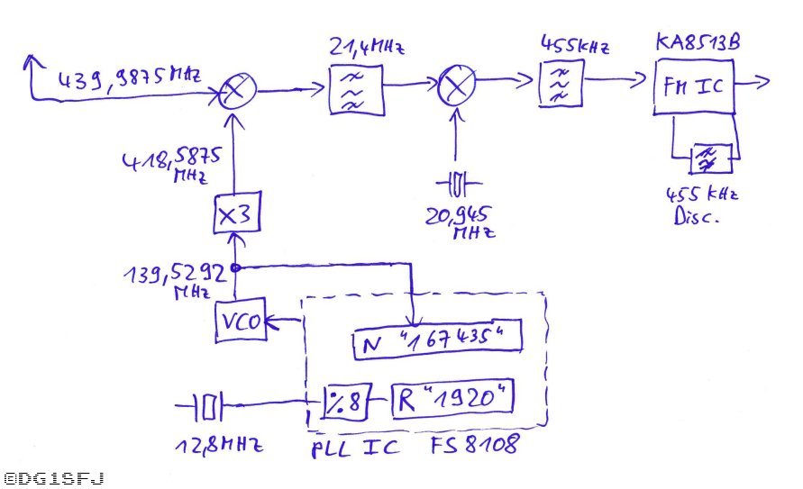
Blockschaltbild
Blockschaltbild des Empfängers mit PLL und zwei Mischern. Vorverstärker nach der Antenne nicht gezeichnet.
Steckerbelegung
Oben links befindet sich die Anschlussleiste, an welcher die Signale des FM ICs anliegen.
BSC - Pin 13 : Battery Saving Control Pin
QC - Pin 14 : Quickcharge Control Pin
FSKOUT - Pin 15 : Rückgewonnene FSK Information
Unten rechts befindet sich die Anschlussleiste wo die Signale für die PLL anliegen :
CLK - Pin 11 : Shift Register clock input
DATA - Pin 12 : Serial Data Input
LE - Pin 13 : Latch enable Input
OPR - Pin14 : Battery Save Control Input
Antenne
Kaskode als Antennenverstärker mit 2x2SC3356 „low noise npn“, Package Marking „R25“
Danach schließt sich eine Einbaumöglichkeit (4 Vias) für einen Filter an, welcher aber mit einem Kondensator überbrückt ist :
PLL-IC
HiMARK FS8108, 16Pin TSSOP, Low Power Phase-Locked Loop IC
PTC Princeton Technology Corp.
VDD2 :
Die VDD2 mit 2,9V liegt dauerhaft an und wird nicht abgeschaltet.
LE/DATA/CLK :
Das IC wird initial einmal programmiert (6,6 Sekunden nach Batterie einlegen) und danach nur noch über OPT aktiviert und deaktiviert. Es werden dazu 2 Sequenzen in einem Abstand von 85ms losgeschickt.
Sequenz 1 :
Bitdauer 50us.
Botschaft „1010001110000010110“ (MSB first, ControlBit19=0 : 18Bit N-counter)
Ergibt die 18Bit Zahl „101000111000001011“ = 167435
Übernahme bei steigender Flanke
Nach 85ms kommt dann Sequenz 2 :
Sequenz 2 :
Botschaft „0000111100000000001“ (MSB first, ControlBit19=1 : 13Bit R-Counter)
2 MSBs werden ignoriert
13 Bit „0011110000000“ = 1920dez
000 = R14=0 LD Output Disable sowie R15 R16 = 0
1 Control Bit
Funktionsweise :
12,8MHz Quarz wird intern im IC durch 8 geteilt (fix) ergibt 1,6MHz, geteilt durch R counter 1920 ergibt 8,333kHz, also das Kanalraster mit welchen die PLL arbeitet.
Nimmt man nur die 8,3333kHz mal der 167435 (siehe oben) ergibt sich 139,5292MHz. Auf dieser Frequenz läuft ein Oszillator den die PLL steuert. Diese Frequenz wird verdreifacht auf 418,5875MHz welche im Mischer aus der 439,9875MHz dann die erste ZF auf 21,4MHz erzeugt.
Dann folgen ZF-Filter auf 21,4MHz, Mischung mit 20,945 MHz auf die zweite ZF von 455kHz welche dann in den FM-IC gehen.
OPR :
Der Zyklus des OPR ist ca. 450ms. Davon 50..100ms „High“, der Rest auf „Low“.
Bei High ist die PLL aktiv, beim Low im Standby-Mode.
FM-IF IC
KA8513BD, SSOP20, Samsung, FM IF Receiver, Supply 1..4V, Vreg 1.0V
VCC ist 1,3V dauerhaft nach dem einlegen der Batterie.
BSC/QC sind getaktet und aktivieren das IC. Im Schnitt 0,5s Zyklus, 40ms an (High) und der Rest der Zeit Low / aus. Ab und an gibt es längere An-Phasen. Das Takten beginnt ca. 6,5Sekunden nach Batterie einlegen.
Taktzyklus der BSC/QC Leitung bei grob 54ms zu 470ms. Also ca. 1/10 der Zeit ist der Empfänger an.
Beispiel eines Empfangszyklus - während des Empfangs geht BSC/QC auf High, die Daten kommen auf der FSKOUT Leitung heraus. Der Empfänger ist aktiv für ca. 54ms :
Diese Daten gehen dann in den POCSAG Decoder IC zur weiteren Verarbeitung.
USB Programmierkabel
Für den Alphapoc 602R wird ein spezielles Programmierkabel verkauft. Der Pager hat zwar optisch eine 10pol Mini-USB Schnittstelle es liegt aber kein USB Controller innen vor. An den Pins ist lediglich das interne Flash herausgeführt und kann von dem Programmierkabel mit Software ausgelesen und neu beschrieben werden.
Pager und Kabel zusammengesteckt sieht das dann so aus :
Aussen und Innenansichten
Pinbelegung
Der 10Pin Mini-USB ist wie folgt belegt :
01 – via Ferrit auf Masse, also Ground 02 – uC Pin 25 [P1.1] – zum SPI-Flash Pin 2 – Serial Data In 03 – uC Pin 22 [P1.4] - zum SPI-Flash Pin 50 – Serial Data Out 04 – n.c. * 05 – mit Pin 7 verbunden – uC Pin 20 [P1.6] 06 – n.c. * 07 – mit Pin 5 verbunden 08 – n.c. * 09 – uC Pin 23 [P1.3] - zum SPI-Flash Pin 6 – Serial CLK 10 – uC Pin 24 [P1.2] - zum SPI-Flash Pin 1 – /ChipSelect * Es scheint noch eine Variante zu geben in der die unbenutzten Pins zum Reprogrammieren des Renesas Controllers im Pager verwendet werden : 04 – TXD-Pin des Renesas – Pin 36 : P112/TXD/SEG18 06 – Flashmode-Pin des Renesas – Pin 17 08 – RXD-Pin des Renesas – Pin 35 : P113/RXD/SEG19
Microcontroller
Dies ist ein C8051F320 Controller von Silicon Labs. Sozusagen ein moderner 8051 Clone mit eingebautem USB - das ganze im 24 Pin Gehäuse. Daran angeschlossen wie üblich ein 12 MHz Quarz.
Die ungenutzten Pins auf der unteren Seite sind vermutlich die Reprogrammierpins für den Silicon Labs Controller. Habe ich mir auch nicht näher angeschaut.
Die ungenutzten Vias auf der rechten Seite sind die Reprogrammierpins für den Renesas im Pager :
04 – TXD-Pin des Renesas – Pin 36 : P112/TXD/SEG18 06 – Flashmode-Pin des Renesas – Pin 17 08 – RXD-Pin des Renesas – Pin 35 : P113/RXD/SEG19
Damit ergibt sich bzgl. der SPI zum Flash folgende Gesamtschaltung :
## GP2012 Software
Die GP2012-Software kommuniziert mit dem Controller über USB auf dem Programmierkabel.Die Daten auf dem USB habe ich mir nicht näher angeschaut, nur die Kommunikation zwischen den Controller und dem Flash.
Das „READ“ :
Dieser liest das Flash auf dem Pager via SPI aus per FAST READ (0x0B 0x08 0x80 0x00) :
0x080000, ab hier 256 Bytes mit den Konfig-Daten wie oben beschrieben Danach werden die Speicher mit den empfangenen Botschaften ausgelesen : 0x081000, ab hier 256 Bytes 0x081100, ab hier 256 Bytes 0x081200, ab hier 256 Bytes ….. 0x081F00, ab hier 256 Bytes dann 0x088000, ab hier 256 Bytes 0x088100, ab hier 256 Bytes 0x088200, ab hier 256 Bytes dann 0x089000, ab hier 256 Bytes 0x089100, ab hier 256 Bytes 0x089200, ab hier 256 Bytes dann 0x08A000, ab hier 256 Bytes 0x08A100, ab hier 256 Bytes 0x08A200, ab hier 256 Bytes dann 0x08B000, ab hier 256 Bytes 0x08B100, ab hier 256 Bytes 0x08B200, ab hier 256 Bytes dann 0x08C000, ab hier 256 Bytes 0x08C100, ab hier 256 Bytes 0x08C200, ab hier 256 Bytes dann 0x08D000, ab hier 256 Bytes 0x08D100, ab hier 256 Bytes 0x08D200, ab hier 256 Bytes dann 0x08E000, ab hier 256 Bytes 0x08E100, ab hier 256 Bytes 0x08E200, ab hier 256 Bytes dann 0x08F000, ab hier 256 Bytes 0x08F100, ab hier 256 Bytes 0x08F200, ab hier 256 Bytes dann 0x090000, ab hier 256 Bytes 0x090100, ab hier 256 Bytes 0x090200, ab hier 256 Bytes … 0x0A0000,ab hier 256 Bytes 0x0A0100,ab hier 256 Bytes 0x0A0200,ab hier 256 Bytes
Nach jedem 256Byte Block wird einmal das Kommando Read Status Register (0x05) ausgeführt.
Der ausgelesene Inhalt findet sich auch in der Datei wieder, die die GP2012 Software beim „Save“ abspeichert.
Das "Write" : 0x06 WREN (Write enable) 0x20 SE (Sector erase) 0x08 AD1 (Adresse Teil 1) 0x80 AD2 (Adresse Teil 2) 0x00 AD3 (Adresse Teil 3) 0x05 RDSR (Read Status Register)
Solange das Flash beschäftigt ist, kommt 0x03 zurück. Wenn es fertig ist ein 0x00 (dauert ca. 36ms).
Danach 0x06 WREN (Write enable) und dann wird das PageProgramm Kommando geschickt 0x02 0x08 0x80 0x00 sowie die 256 Bytes. Auslesen des 0x05 RDSR (Read Status Register) und solange das Flash beschäftigt ist, kommt 0x03 zurück. Wenn es fertig ist ein 0x00 (dauert hier nur ca. 0,5ms).
Danach liest die Software via FAST READ 0x0B 0x08 0x80 0x00 jeweils 256 Bytes aus, prüft ob korrekt geschrieben wurde.
Dann wiederholt sich das gleiche Spiel mit den anderen Blöcken.
Am Ende wird der Block ab 0x080000 geschrieben und wieder ausgelesen.
Reihenfolge also zuerst die Botschaften (ab $088000), dann die RIC Konfig (ab $081F00), dann die Pager Konfig (ab $080000).
EEPROM Kommunikation
Möchte man dem Pager bei der Arbeit zuschauen reichen ein paar Drähte vom EEPROM zu einem Logic Analyzer (Saleae Logic 8 in meinem Fall).
Kanal 0 : Chipselect (SPI Enable) Kanal 1 : SO - MISO Kanal 2 : SCLK - Clock Kanal 3 : SI - MOSI
Kleiner Tip noch : Leitungen nicht direkt anschließen sondern noch je 470Ohm in Serie schalten (sieht man hier als SMD Widerstände). Dann ist die Belastung durch den LogicAnalyzer nicht so groß. Und natürlich die Masse-Leitung nicht vergessen…
Trigger dann einstellen ob sofort oder erst bei fallender Flanke des Chipselects.
Als nächstes muss der SPI Analyzer aktiviert werden mit folgenden Einstellungen :
Dann kann es auch schon losgehen. Hier als Beispiel beim einlegen der Batterie die ersten 30 Sekunden mal mit geschrieben. Man sieht auch rechts das der Analyzer die SPI dekodiert hat.
Die dekodierten SPI-Kommandos lassen sich dann in einer *.csv Datei exportieren :
Das ist leider sehr unübersichtlich und wenig lesbar für den Menschen … Anhand des Datenblattes habe ich mir einen Parser in Python geschrieben der die einzelnen Kommandos an das EEPROM dekodieren und lesbar wieder herrausschreiben kann. Folgende Kommandos werden vom Pager benutzet (und nur die habe ich auch umgesetzt) :
Nach dem Durchlauf mit dem Python Programm sieht das ganze schon schöner aus :
Damit lassen sich dann alle Interaktionen sauber aufschlüsseln :
- Booten
- Empfang von Nachrichten
- Lesen mit dem GP Steuerprogramm
- Schreiben mit dem GP Steuerprogramm
Beim Vergleich der Kommunikation der alten (V1.01) und der neuen (V1.70) Software konnte ich keinen Hinweis finden das diese Software eine Firmware in den Pager programmiert. Insofern ist das berühmte „Antennen-Symbol“ vermutlich nur ein ein/ausknipsen eines Bits irgendwo in der Config….





































































