Funkstrecke aus Funkgong
Für eine Fernsteueraufgabe Ende Dezember benötige ich eine Funkstrecke, die ein digitales Signal ca. 20m weit Übertragen kann. Da mir die käuflichen Module zu teuer waren, habe ich mich nach Alternativen umgesehen. Auf der Hobby-Tronik 2002 in Stgt. gab es von Pollin einen Funk-Gong (oder Funk-Türklingel) für glatte 9,9 Euro incl. dem Sende- und Empfangsteil (danke an DO4FUN fürs mitbringen!):
Nach dem öffnen stellte sich leider heraus, das hier keine Fertig-Funkmodule verwendet wurden, sondern die Sender/Empfänger mit der Auswertelogik auf einer Platine zusammengebaut waren:
Das ist aber nicht weiter schlimm, nach Analyse der Schaltung wird schnell klar, wo man die Säge ansetzen muss. Das Ergebnis sieht dann beinahe aus wie ein gekauftes Funkmodul:
Mich hat natürlich auch die Technik näher Interessiert, also habe ich mir den Sender und den Empfänger näher angeschaut und die Schaltung aufgezeichnet.
Der Senderbesteht nur aus einem Hartley-Oszillator, der am Steuereingang ein und ausgeschaltet wird → simpler AM-Sender auf 433,92 MHz:
In der Ursprungsschaltung wurde beim Druck auf die Klingeltaste die Spannungs- versorgung von 12V an die Schaltung gelegt. Das eingebaute IC begann dann solange der Klingelknopf gedrückt ist das digitale Protokoll auszusenden (Steuereingang hart auf 12 oder 0V).
Die Spannung von 12V wurde aus einer kleinen 12V Feuerzeugbatterie gewonnen (LR23).
Übrigens läuft der Sender auch mit einer Betriebs und Ansteuerspannung von 5V ganz passabel.
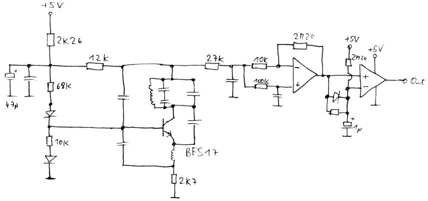
Der Empfänger ist ein AM Pendelempfänger für 433,92MHz:
Die eigentliche Demodulation geschieht bereits im HF-Teil, sodas die Information durch simple Tiefpassfilterung gewonnen werden kann. Die 2 folgenden IC's dienen nur noch zum Mitführen der Schaltschwellen. So kann ständiges QRM nicht zum auslösen des Schaltvorgangs führen.
Danke an SWL Olli für den Tip mit dem Oszillator.









