Icom IC-703
Nach langen Vergleichen entschied ich mich diesen Sommer für ein Icom 703 Kurzwellenfunkgerät. In meinem Urlaub in der Schweiz passierte es dann. Nach einer Verbindung mit Russland gab die Kiste plötzlich keine Leistung mehr ab. Der Schlimme Verdacht war eine Durchgebrannte Endstufe - Vorstellen konnte ich mir dies allerdings nicht …
Wieder Zuhause angekommen gings an die Fehlersuche. Das Icom 703 nahm weniger Strom beim Senden auf wie für 10W erforderlich und es kamen insgesamt ca. 30dB zu wenig heraus. Damit war klar, warum im Urlaub keine Verbindungen mehr zustande kam - mit 10mW in der Schweiz …
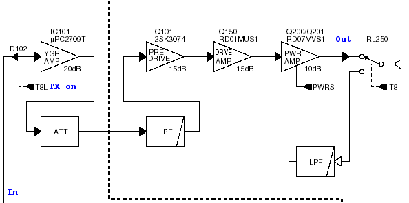
Zuerst schaut man sich das Blockschaltbild der Sendeendstufen mit den Treibern im Servicemanual näher an:
Die Schaltung teilt sich an der gestrichelten Linie in 2 Platinen auf. Misst man die Endstufen Q200/Q150/Q101 durch, stellt man fest, das diese die jeweils geforderte Verstärkung erreichen und korrekt mit Spannung versorgt sind. Hieran liegt es also nicht. Einzig die Ansteuerung ist um 30dB zu gring.Auf der zweiten Platine misst man kurz das Dämpfungsglied ATT durch, damit war aber auch alles in Ordnung. Der Fehler musste also noch weiter vorne liegen.
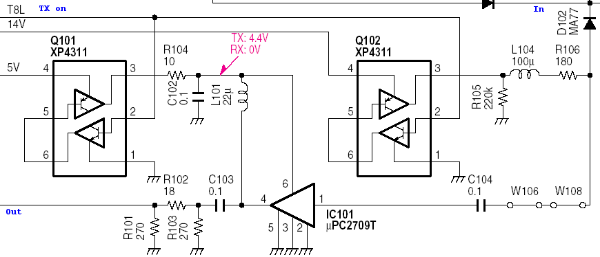
Jetzt wird es Zeit für den Schaltplan dieses Pre-Drivers:
Beim Senden wird die Versorgungsspannung ca. 4.4V von Q101 korrekt zu IC101 durchgeschaltet. Dies geschieht mit Q101 der T8L (das Signal für Senden) nimmt und 5V durchschaltet. Nach Filterung und Entkopplung gehen die grob 4.4V als Spannungs- versorgung zum IC101. Dieser ist mit 4.5V … 5.5V gespect. Damit kann eine Schädigung durch die Betriebsspannungsleitung ausgeschlossen werden. In der Nähe sind auch keine besonders „heissen“ Teile, Anschlüsse nach aussen o.ä. so das ESD auch nicht die Ursache war. Die Stromaufnahme läßt sich beim Senden als Spannungsabfall über R104 nachmessen und man kommt auf 12,5mA. Bei 4.4V sollten es so 16 .. 17 mA laut Spec. sein.
Misst man am Ein und am Ausgang nach, stellt man fest, das dieses IC nicht +20dB sondern -10dB macht … Daher kam also der Leistungsabfall von 30dB:
Pin Bedeutung 1 Input 2 GND 3 GND 4 Output 5 GND 6 VCC 4.5 ... 5.5V
Damit war der Fehler gefunden. Auf der NEC Seite ist diese Teil nicht mehr gelistet. Sieht man bei DIGIKEY nach, ist das IC als „Obsoleted by Manufacturer“ gekennzeichnet. Damit ist man bei der Ersatzteilbeschaffung voll auf ICOM angewiesen … In der Hoffnung das die Lager groß genug sind …
Datenblatt gibts hier: Datenblatt Preamp :
Danke auch an Matthias DL4ML fürs gemeinsame Fehlersuchen !
Unterwegs zeigt es sich schnell ob man einen Transceiver hat, der >1A nur für den reinen Empfang „verbrät“ oder nicht. Der Icom 703 ist an sich schon sehr stromsparend bietet aber einige Optionen an, mit denen sich insgesamt max. 300mA einsparen lassen.
Bei einer Betriebsspannung von 13,8V habe ich den Verbrauch gemessen:
Meiner Persönlichen Ansicht nach ist die Kombination mit (x) der beste Mittelweg für portablen Tag und Nachtbetrieb.
Rein Interessehalber habe ich noch die Stromaufnahme beim Senden mit verschiedenen Leistungseinstellungen vermessen. Gesendet wurde auf 14.100 in einen 50Ohm DummyLoad, FM, keine Modulation, 13.8V Betriebsspannung..







