Icom R1500
Die Warnung gleich vorweg :
!! ACHTUNG - AUF KEINEN FALL IN DEN SERVICE-MODE GEHEN BEVOR NICHT DER INHALT DES EEPROMS AUSGELESEN UND GESPEICHERT WURDE !!
Mit Hilfe des Icom R1500 und etwas Software habe ich mir eine Spektrum-Analyse Möglichkeit geschaffen. Das Problem ist nur, das der Icom unter S1 keine Feldstärke ausgibt. Da aber auch im Rauschen interessante Details verborgen sein können, musste die S-Meter Kennlinie angepasst werden. Beim Icom R1000 gab es dazu kleine Programme, das alles funktionierte beim 1500er nicht mehr. Da im Internet dazu wirklich nichts zu finden war, musste ich es selber rausbekommen …
Hier ein Beispiel mit der Standard S-Meter Kennlinie:
Und so sieht ein ähnliches Bild aus aber mit der „gepatchten“ Kennlinie:
!! ACHTUNG - AUF KEINEN FALL IN DEN SERVICE-MODE GEHEN BEVOR NICHT DER INHALT DES EEPROMS AUSGELESEN UND GESPEICHERT WURDE !!
Das meine ich ernst - die vorherigen Kalibrier-Werte (sind für jedes R1500 leicht anders) sind sonst verloren …. Die Garantie ist bei solchen Basteleien auf jeden Fall dahin …
Zuerst schrauben wir den Empfänger auf und zerlegen ihn bis wir auf der Rückseite der Hauptplatine das EEPROM lokalisieren:
Es handelt sich um ein 24LC512 von Microchip:
Nun das EEPROM auf einen DIL-Sockel aufbringen und mit einem Lesegerät auslesen:
… Dieses File am besten mehrfach abspeichern …
Jetzt löten wir ein 4adriges Flachbandkabel auf die Stelle wo das EEPROM war sowie einen Sockel am anderen Ende. 4 Leitungen genügen, weil die Pins 1/2/3/4/7 alle auf Masse liegen:
Es gibt nun zwei Möglichkeiten - entweder man patched im EEPROM die Werte direkt oder man gibt Pegel mit einem Messender vor und geht die komplette Kalibrierprozedur durch. Ich habe mich für die erste Methode entschieden - warum wird klar wenn man sich die nächste Liste anschaut. Das müsste man alles durchspielen bevor die Kalibierung abgeschlossen ist.
!! ACHTUNG - DIE FOLGENDEN ANGABEN SIND NUR GÜLTIG FÜR DIE FIRMWARE 2.10 !!
Im Speicher des EEPROMs konnte ich bis jetzt folgende Informationen wiederfinden (der Inhalt der Speicherstellen ist NUR gültig für genau mein R1500 mit der Firmware 2.10):
Die Werte des S-Meters kann man nun auslesen und in Dezimal umrechnen:
Die Kennlinie sieht dann so aus:
Und genau da liegt das Problem. Alles was (z.B.bei Narrow) unter Dezimal 48 ist, wird nicht angezeigt. Der Trick ist nun die Speicherstelle NS0 ($F7F0) mit dem Wert „00“ zu beschreiben. Dann knickt die Kennlinie nach unten stark ab und schon gibt der A/D-Wandler des Empfängers alles aus was im Rauschen liegt. Da bei mir nur Narrow interessant war, war dies die einzigste Speicherstelle an der ich gepatcht habe.
Wer es sich zutraut kann mit Hilfe des Servicemanuals und einem Messender im Service-Mode alle Werte von Hand nachkalibrieren. Dieses vorgehen werde ich hier NICHT beschreiben, da die Gefahr zu groß ist !
!! ACHTUNG - AUF KEINEN FALL IN DEN SERVICE-MODE GEHEN BEVOR NICHT DER INHALT DES EEPROMS AUSGELESEN UND GESPEICHERT WURDE !!
Alles was mir für Experimente mit SDR noch fehlte war ein ZF-Ausgang für den Icom R1500. Dabei gibt es zwei Möglichkeiten :
1. die ungefilterte ZF direkt nach dem Mischer abgreifen - gut für Bandscope Anwendungen 2. nach dem zweiten ZF-Filter abgreifen - gut für Signalanalyse
Zuerst die Anleitung für die ungefilterte ZF :
Im Netz gibt es zwar Anleitungen, allerdings leiten diese die HF direkt aus dem Gerät aus, was die Gefahr zwecks Störungen und Zerstörung (ESD) stark erhöht. Bei mir kam deswegen ein Pufferverstärker zum Einsatz, der die Schaltung des R1500 nicht belastet aber das Signal niederohmiger bereitstellt.
Abgegriffen wird die 10,7MHz VOR den weiteren Filtern aber nach dem Puffer (Transistor Q60) :
An der markierten Stelle löten wir nachher das Kabel an :
Im Layout sieht der Abgriffpunkt wie folgt aus :
Anbei noch das Pinning für den Transistor :
Zuerst wie in meiner anderen Anleitung den Empfänger öffnen, bis das Main-A Board zu sehen ist. Die Pfeilspitze markiert den Bereich an dem wir das ZF-Signal abgreifen können :
Hier mit einem geschirmten Kabel (z.B. RG174) nach draussen durch die Lücke (unten rechts) im Schirmgehäuse :
Wer die ZF nach dem Filter abgreifen möchte :
Es gibt wieder einen Summenpunkt zwischen 2 Dioden für die Umschaltung der Filter.
Im Schaltplan siehts wie folgt aus:
Im Layout ist dieser Punkt hier zu finden (Main-Board A - Unterseite) :
Am unteren Pfeil einen dünnen Kupferlackdraht anlöten und durch die mittlere Duko (Masse) durchfädeln :
Dann an die Koax-Leitung nach draussen anlöten :
Für beide Varianten geht es dann hier weiter :
Dann brauchen wir noch Versorgungsspannung (grob 12V), an der markierten Stelle den Lack der Leiterbahn freikratzen und einen Draht anlöten :
Jetzt gehts zur Sache : Es muss ein Pufferverstärker her, der einen hohen Eingangswiderstand hat, aber auch
eine niederohmigere Last treiben kann. Da in meinen Vorräten gerade der BF998 Dual Gate Mosfet vorhanden war
(bisschen überdimensioniert für 10,7MHz . Die Ausgangsanpassung ist nach Gefühl gebaut. Der Drainstrom liegt
grob bei 6mA, sollten im besten Fall ca.8mA sein für optimale Verstärkung :
Auf einer kleinen Kupferkaschierten Platine läßt sich die Schaltung ohne großes Layout aufbringen. Da keine Durchkontaktierungen verwendet wurden, einfach den Platinenrand mit leitfähigem Klebeband ummanteln und verlöten :
Achtung : kleiner Fehler … die 100uH-Drossel muss natürlich 10uH sein … Im Schaltplan oben bereits richtig dargestellt.
Diese Platine wird nun mit 12V versorgt und mit leitfähigem Klebeband auf das Gehäuse geklebt. In das Gehäuse wird an der Seite eine zusätzliche BNC-Buchse eingebaut und mit dem Ausgang der Schaltung verbunden.
UPDATE Nr. 1 :
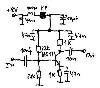
Da für meine Folge-Schaltung der Ausgangs-Pegel noch zu gering war, musste eine Verstärker-Schaltung her. Dies kann man leicht mit einem BFS17 aufbauen. Spannungsverstärkung ca. Faktor 10.
Das ganze passt wieder auf eine kleine Platine die direkt neben der ersten eingebaut wurde :
Und so siehts dann aus im Gerät :
UPDATE Nr. 2 :
Der aktuelle Versorgungsspannungsabgriff ist etwas unglücklich, da beim Ausschalten des Hauptschalters die ZF-Verstärker noch weiterbetrieben werden. Der Umwelt zuliebe einfach nach dem Hauptschalter abgreifen.
Vorher :
Nachher :
Viel Spass !

































