funk:geraete:yaesuft90
Yaesu FT-90
Mikrofonadapter :
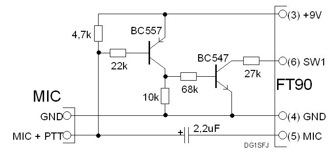
Bei modernen Handfunkgeräten ist meist nur noch ein 4poliger Klinkenstecker vorhanden. Die PTT wird dann über die Mikrofon-Leitung mit übertragen. Möchte man solch ein Mikrofon (oder wie in meinem Fall den Tiny-Tracker) an den FT-90 anschliessen, bietet sich dieser Adapter hier an.
Anschlußbuchse des FT-90:
Pin-Nummer Signal 1 SW2 (für diverse Taster) 2 9600Baud Ausgang für Packet-Radio 3 +9V 4 GND 5 Mikrofon-Eingang 6 SW1 (für diverse Taster)
Für die Schaltung braucht man nur 2 Transistoren, 1 Kondensator und 5 Widerstände :
Interessant ist auch die Möglichkeit, ein normales 6adriges Kabel mit zwei Western-Stecker als Verlängerung zwischen dem Adapter und dem Funkgerät verwenden zu können…
funk/geraete/yaesuft90.txt · Zuletzt geändert: von ad36min





