Kammgenerator
Für die Überprüfung eines Empfängers musste ein Kammgenerator gebaut werden. Wie immer nur auf die Schnelle mit vorhandenen Teilen aus dem Bastelkeller.
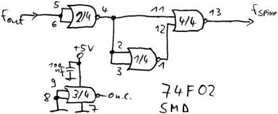
Das Prinzip ist Simpel. Durch den Quarz-Oszillator gelangen die 4MHz auf einen Binär-Teiler. Mit diesem lassen sich die unterschiedlichen Teilerfaktoren einstellen, welche dann den Frequenz-Abstand der Nadeln im Spektrum bestimmen. Damit die Schaltung lange läuft wurde der Stromverbraucht minimiert und ein Low-Drop Regler verwendet.
Innenansicht :
Teil 1 : Oszillator mit TTL-Out sowie Teiler für Wiederholraten von 4/2/1/0,5/0,25 MHz :
Spannungsversorgung :
Teiler :
Teil 2 : Nadelimpulsgenerator auf 3 Gattern sowie die Ausgangsstufe :
Nadelimpulsgenerator:
Ausgangsstufe:
Messungen folgen …









