funk:messtechnik:sparam
S-Parameter-Rechnung bei ohmschen Lasten
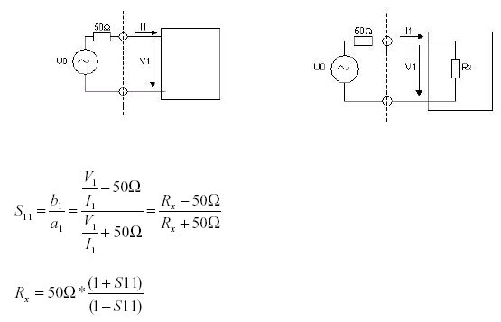
1. One-Port Messung (S11) :
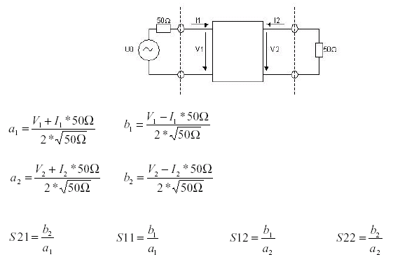
2. Two-Port Messung (S11 & S21) :
3. Two-Port Messung (S11 & S21) - Shunt :
4. Two-Port Messung (S11 & S21) – Series :
5. Messgrenzen eines Network-Analyzers bei ohmschen Lasten :
Als Beispiel nehmen wir den TenTec-VNA mit seinen Datenblatt-Grenzen von - Max. Rückflussdämpfung 40dB - Max. Durchflussdämpfung 80dB
Welche ohmschen Lasten könnte man hiermit noch messen ?
One-Port : S11 Rx = 49 Ohm oder Rx = 51 Ohm
Two-Port (Shunt) : S11 Rx = 2475 Ohm
S21 Rx = 0,0025 Ohm
Two-Port (Series) : S11 Rx = 1,01 Ohm
S21 Rx = 999889 Ohm
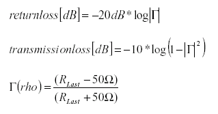
6. Nützliche Formeln :
funk/messtechnik/sparam.txt · Zuletzt geändert: von ad36min





