Testsignal Generator für 10 GHz aus altem Astra LNB
Vor langer Zeit hatte ich schon gelesen das man LNBs zu Testsignalgeneratoren umbauen kann. Da mir nun endlich ein 12 GHz Zähler zur Verfügung steht, war klar - das musste ich auch mal probieren.
SWL Michael schenkte mir einen alten Astra LNB (danke nochmal dafür!) :
Winkelkonverter haben die Antennen meist auf der Leiterplatte gedruckt, bei dieser Version hier sieht man aber noch schön die beiden Antennendrähte für Horizontal und Vertikal im Hohlleiter :
Innen befindet sich eine kleine Zwischenfrequenz-Platine, auf der anderen Seite unter einerm Druckgußdeckel dann die eigentliche HF-Platine.
Auf der ZF-PCB ist nicht viel drauf. Es wird aus den beiden Ausgängen die DC entkoppelt und 8V erzeugt. Anstelle der G0 / G2 Bauteile (Dioden) läßt sich vermutlich optional noch ein ZF-Verstärker bestücken. Da dies hier nicht benötigt wird, brücken 3 Dioden in Flussrichtung das Signal nach dem Mischer direkt auf den Ausgang :
Jetzt das schönste : Die eigentliche HF-Platine. Man sieht die negative Spannungserzeugung sowie die Bauteile für die Gate/Drainspannungen der 4 FETs. Nach den Verstärkerstufen kommt noch ein gedrucktes Bandpassfilter. Danach geht es zum Mischer und dem DRO-Oszillator mit der Keramik-Pille :
Die negative Spannungserzeugung erfolgt durch ein gleichgerichtetes Rechtecksignal :
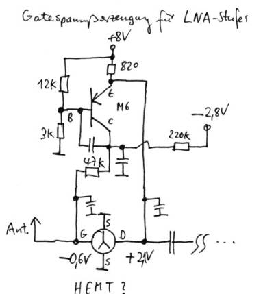
Fehlt nur noch 4mal die stabilisierte Gate / Drainspannungserzeugung :
Für den Umbau entfernen wir vom Vertikal-Teil die beiden Vorverstärker-Transistoren, sowie den Auskoppelkondensator nach der Mischer-Stufe rechts unten :
Im Horizontal-Teil werden die beiden Transitoren ausgelötet und verkehrt herum wieder eingelötet. Die Gate und Drain-Spannungen welche von oben kommen, müssen gekappt und auch getauscht werden (Ersatz durch kleine Drahtbrücken). Zum Schluss wird hier auch noch der Auskoppel-C entfernt, das Bandpass-Filter weggekratzt und mit einem Stück leitfähigen Klebebands überbrückt :
Nach dem Zusammenbau dann die erlösende Anzeige : Nix kaputt gegangen durch ESD, das LNB sendet ! Nach ein paar Minuten Wartezeit (Aufwärmen aller Teile Innen) kann die Frequenz an der Schraube über der Keramik-Pille so eingestellt werden, das die Anzeige auf 10,2 GHz geht (meine Wunsch-QRG) :
Das wars dann auch schon. Als nächstes kommt der Umbau eines LNBs für Amateurfunk zwecks Empfangsversuchen im 10 GHz Band. Ein Testsignal habe ich ja nun …










